Цвет
белый
Материал
фарфор
Страна бренда
Испания
Быстросъемное сиденье
да
Вес без упаковки, грамм
13900
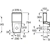
Высота максимальная, мм
360
Дизайн
современный
Назначение
для унитаза
Тип товара
Бачок для унитаза
Ширина, мм
150
Высота, мм
360
Длина, мм
376
















