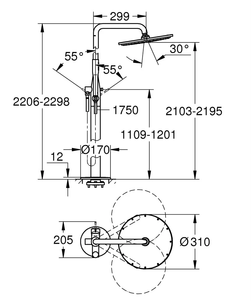
- напольный монтаж
- комплект верхней монтажной части для:
- 45984001
- 29038001
- 29086000
- без встроенного механизма
- GROHE SilkMove керамический картридж 35 мм
- с ограничителем температуры
- GROHE StarLight хромированная поверхность
- автоматический переключатель: верхний душ/ручной душ
- 360° горизонтальный поворотный душевой кронштейн
- встроенный обратный клапан в душевом отводе 1/2"
- держатель ручного душа
- Rainshower Cosmopolitan 310 Верхний душ 9.5 л/мин (27477000)
- с шаровым шарниром
- угол поворота ± 15°
- GROHE DreamSpray превосходный поток воды
- с системой SpeedClean против известковых отложений
- в цвете хром: ручной душ 27806, для других цветов: ручной душ 26465
- душевой шланг 1750 мм (28388000)
- с защитой от обратного потока






















