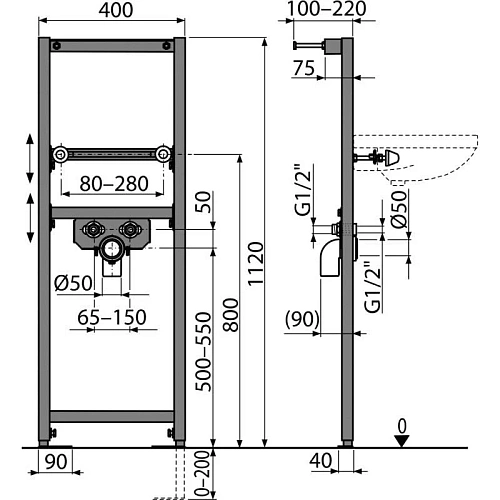
Самонесущий каркас с С-образным профилем
Регулируемые по высоте монтажные перекладины
Выдвижные ножки с регулировкой в диапазоне 0–200 мм
Интервал крепления умывальника 80–280 мм
Интервал подключения воды 65–150 мм
Материал: металл обработанный порошковой краской















