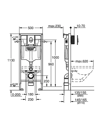
Rapid SL в сборе, для подвесного унитаза
Смывной бачок GD2
С маленьким ревизионным окошком
Монтажная высота 1,13 м
Для монтажа перед стеной или стенной перегородкой
Самонесущая стальная рама с порошковым напылением
Подготовлена для облицовки
Фиксированные подключения
Для одиночного или рядного монтажа
Быстрая регулировка по высоте
Крепёжный материал
Проверено – TUEV
2 болта-держателя для унитаза
Крепление для керамики
Расстояние между болтами 180/230 мм
Выходной патрубок для унитаза диаметром 90 мм
Регулировка глубины гарнитуры
Редуктор диаметром 90/110 мм
Впускной и смывной гарнитуры
Смывной бачок GD 2,6-9 л
Заводская настройка 6 л и 3 л
Пневматический смывной клапан с тремя режимами

















