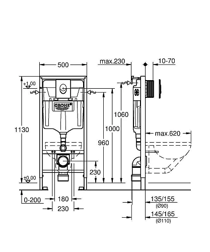
Инсталляционные системы Rapid SL имеют большое количество преимуществ. Созданные с применением технологии GROHE Whisper® для повышенного уровня шумоизоляции системы инсталляции серии Rapid SL предоставляют оптимальный уровень защищенности от шума. Благодаря технологии двойного смыва GROHE EcoJoy®, водопотребление инсталляционных систем Rapid SL может быть снижено на 50%, тем самым уменьшая ваши расходы за коммунальные услуги. Благодаря технологии GROHE QuickFix®, вы установите инсталляционную систему в мгновение ока. Вам не понадобится никаких инструментов для подключения водоснабжения к инсталляции и ревизионного окна бачка. В комплект инсталляционной системы входит смывная панель Skate Cosmopolitan цвета хром. Для максимальной безопасности, стальной каркас рамы инсталляции сертифицирован при нагрузке свыше 400 кг. Установленный перед стеной или в гипсокартонную перегородку, подвесной унитаз и бачок скрытого монтажа обеспечивает оптимальный уровень гигиены и простоту уборки ванной комнаты. Данный комп









































