Цвет
белый
Материал
фарфор
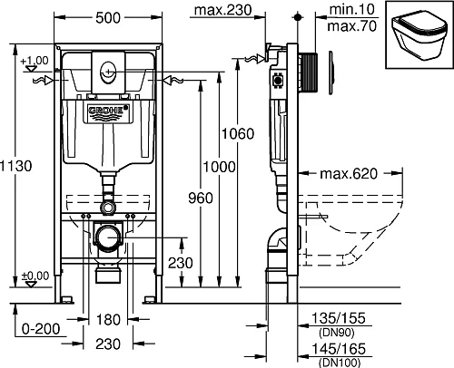
Монтаж
подвесной
Страна бренда
Россия
Материал сиденья
дюропласт
Оснащение
унитаз,кнопка смыва,система инсталляции
Форма
овальная
Антибактериальное покрытие
нет
Безободковый
да
Быстросъемное сиденье
да
Высота чаши, мм
355
Дизайн
современный
Крышка-сиденье в комплекте
да
Межосевое расстояние, мм
180, 230
Монтажная глубина, мм
300
Направление выпуска
горизонтальный (в стену)
Организация смывного потока
каскадный
Подвод воды
сбоку, сзади
Режим смыва
две кнопки (режим эконом)
Система "Антивсплеск"
да
Тип товара
Готовое решение
Угловая конструкция
нет
Функция биде
нет





























