Цвет
черный
Материал
фарфор
Монтаж
подвесной
Страна бренда
Россия
Материал сиденья
дюропласт
Оснащение
унитаз,кнопка смыва,система инсталляции
Форма
овальная
Антибактериальное покрытие
да
Безободковый
да
Быстросъемное сиденье
да
Высота чаши, мм
330
Дизайн
современный
Крышка-сиденье в комплекте
да
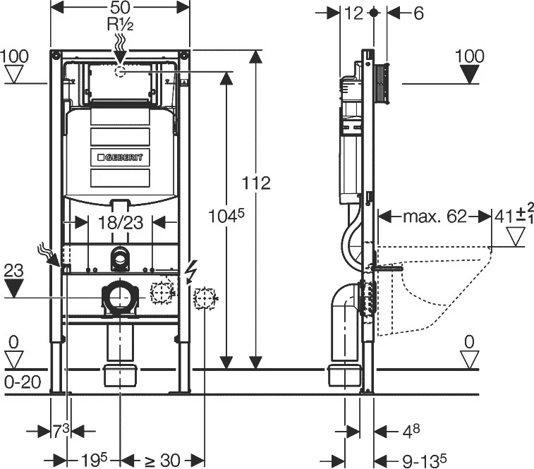
Межосевое расстояние, мм
180, 230
Монтажная глубина, мм
120
Направление выпуска
горизонтальный (в стену)
Организация смывного потока
каскадный
Подвод воды
сверху, сзади
Система "Антивсплеск"
да
Тип товара
Готовое решение
Угловая конструкция
нет
Функция биде
нет





























