Цвет
белый
Монтаж
подвесной
Страна бренда
Россия
Система хранения
не предусмотрена
Цвет раковины
белый
Материал корпуса
сталь
Материал раковины
фарфор
Форма раковины
овальная
Дизайн
современный
Тип товара
Консоль с раковиной
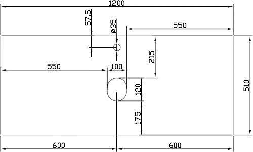
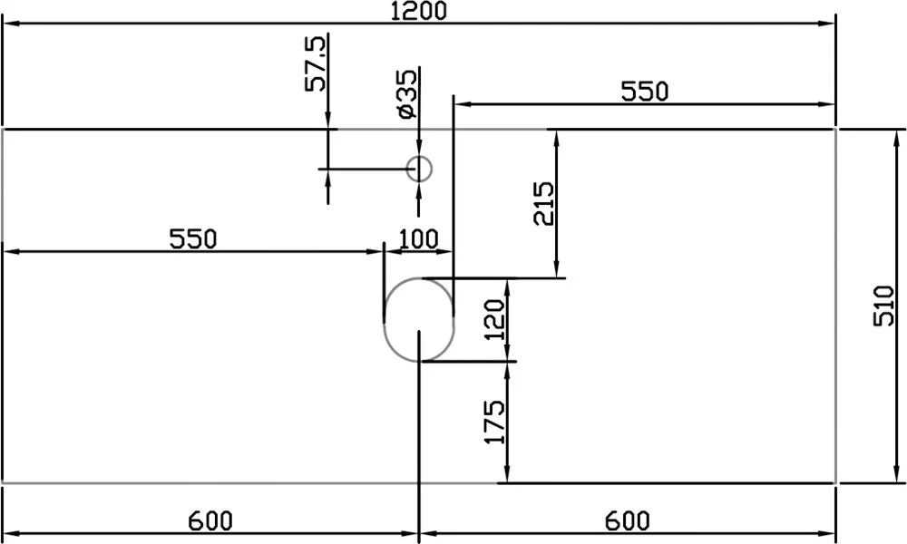
Ширина, мм
1200


































