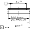
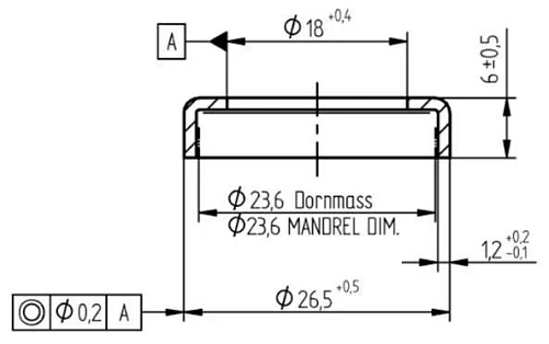
Купить Комплектующие производства GROHE (Германия), код товара: 147606 можно выгодно в Сантемо.ру:
— У нас 50000 товаров в наличии
— Более 500 м2 выставочных площадей
— 200+ брендов-производителей
— Гарантия до 25 лет
— Доставка по Москве - до 48 часов, по РФ - до 72 часов.
















