Цвет
медь
Страна бренда
Италия
Поверхность
глянцевая
Форма
округлая
Дизайн
современный
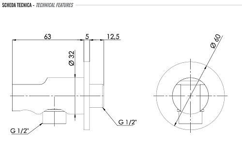
Количество отверстий для монтажа
1
Назначение
для душа
Скрытый монтаж
да
Тип товара
Шланговое подключение
