Цвет
белый матовый
Материал
латунь
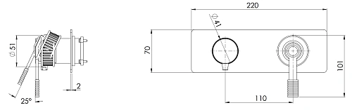
Монтаж
встраиваемый
Страна бренда
Италия
Коллекция
Atelier
Поверхность
матовая
Форма
квадратная
Дизайн
классический
Количество отверстий для монтажа
1
Назначение
для душа
Скрытый монтаж
да
Термостат
нет
Тип товара
Смеситель для душа



















