Цвет
белый матовый
Страна бренда
Италия
Коллекция
Metrica
Поверхность
матовая
Форма
квадратная
Дизайн
современный
Количество отверстий для монтажа
1
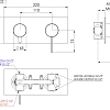
Назначение
для душа
Скрытый монтаж
да
Термостат
нет
Тип товара
Смеситель для душа



















