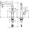
• ComfortZone 260
• угол поворота излива : регулировка на 3 уровня, на 110°, 150° или 360°
• кнопка Select: для комфортного включения/выключения воды
• ламинарная струя
• расход воды 10 л/мин
• соединительные шланги G ⅜
• подходит для проточных водонагревателей
• класс шума: I


















