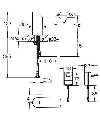
- с инфракрасным датчиком для двусторонней связи для мониторинга, настройки и сервисного обслуживания
- с адаптером 100-230 V переменного тока, 50-60 Hz, 6 V постоянного тока
- Срок службы батарейки: прибл. 7 лет (150 включений в день)
- GROHE StarLight хромированная поверхность
- GROHE EcoJoy 5,7 л/мин
- гибкие соединительные шланги
- oбратный клапан
- грязеулавливающие фильтры
- со встроенным электромагнитным клапаном
- система быстрого монтажа
- многоступенчатый указатель состояния батарейки
- 7 предустановленных режимов
- автоматический смыв
- моющий режим
- дополнительные функции и точные настройки с помощью пульта дистанционного управления 36407
- Одобрено в СE
- класс шума I по DIN 4109
- минимальное давление 1,0 бар
















