Цвет
сталь
Монтаж
на раковину
Страна бренда
Германия
Поверхность
глянцевая
Вращение излива
нет
Защита от обратного потока
нет
Количество отверстий для монтажа
1
Назначение
для раковины
Ограничитель расхода воды
да
Термостат
нет
Тип товара
Смеситель для раковины
Вес с упаковкой, грамм
1508
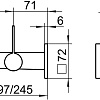
Ширина, мм
72
Высота, мм
74
















