- монтаж на полу с высокими вертикальными подключениями (765 мм)
- комплект верхней монтажной части для 45 984 001
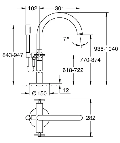
- керамические вентили 1/2", 90°
- GROHE StarLight хромированная поверхность
- автоматический переключатель: ванна/душ
- поворотный трубкообразный C -излив с
аэратором и стопором - вынос 301 мм
- встроенный обратный клапан в душевом отводе 1/2"
- ручной душ Sena Stick (26 465)
- держатель ручного душа
- душевой шланг Silverflex 1.250 мм (28 362)
- с защитой от обратного потока
- с крестообразными рукоятками
- включены 2 набора с накладными насадками. Один с надписями "H" и "C", один - без надписей.
























