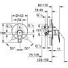
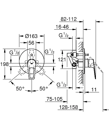
- настенный монтаж
- металлический рычаг
- GROHE Longlife керамический картридж 35 мм
- с ограничителем температуры
- GROHE StarLight хромированная поверхность
- регулировка расхода воды
- автоматический переключатель: ванна/душ
- излив с аэратором
- отвод для душа снизу 1/2 со встроенным обратным клапаном
- с защитой от обратного потока
- скрытые S-образные эксцентрики
- отражатель из металла
- профессиональная серия























