Цвет
черный матовый
Страна бренда
Италия
Коллекция
Metrica
Поверхность
матовая
Форма
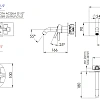
квадратная
Вращение излива
нет
Дизайн
современный
Количество отверстий для монтажа
1
Назначение
для ванны
Скрытый монтаж
да
Термостат
нет
Тип товара
Смеситель для ванны






















