Цвет
хром
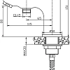
Монтаж
на борт ванны
Страна бренда
Россия
Вращение излива
нет
Высота излива, мм
80
Дизайн
современный
Защита от обратного потока
нет
Назначение
для ванны
Ограничитель расхода воды
да
Стандарт подводки
1/2";3/8"
Термостат
нет
Тип товара
Смеситель для ванны

























