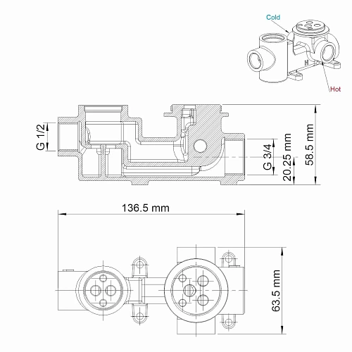
ХарактеристикиКерамический картридж 35мм, Sedal (Испания) Керамический поворотный переключатель Смеситель на 2 выхода. Подключается к двум аксессуарам для душа на выбор: верхней душевой насадке, лейке для душа и настенному изливу. В зависимости от ваших предпочтений.
Входит в комплектКомплект скрытого монтажа Наружная часть смесителя
Материал латунь
Покрытие «светлая бронза»
Входит в комплект
Материал латунь
Покрытие «светлая бронза»






















