- Унитаз с открытым смывным краем DirectFlush
- Унитаз с вертикальным смывом, с короткой базой
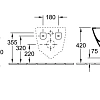
- Размер: 480 х 355 мм
- Материал: Санфарфор
- Цвет: Белый Alpin (Альпийский белый) с CeramicPlus
Техническая информация:
- Подвесная модель/горизонтальный выпуск
- Крепежный комплект «SupraFix 2.0 compact» входит в комплект поставки
- С системой экономии воды AQUAREDUCT®
- Объем воды для смыва 3 / 4,5 литра
- Leed: 4
- Вес 22,95 кг
Сидение с крышкой в комплект не входит, приобретается дополнительно































































