Цвет
белый
Монтаж
подвесной
Страна бренда
Россия
Покрытие
краска
Гарантия, лет
2
Поверхность
глянцевая
Форма
прямоугольная
Дизайн
модерн
Ориентация
универсальная
Тип товара
Зеркало
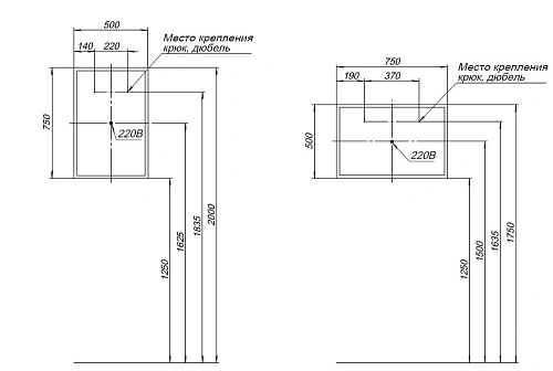
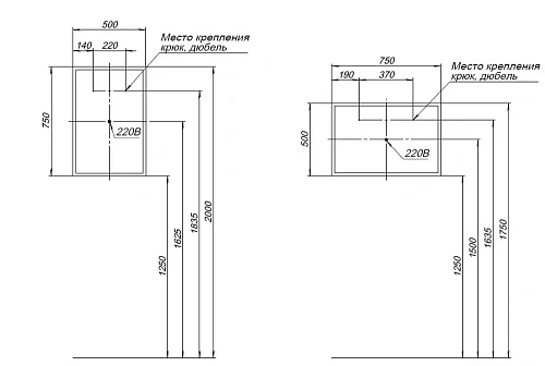
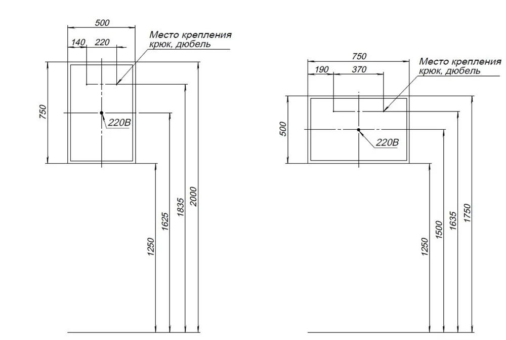
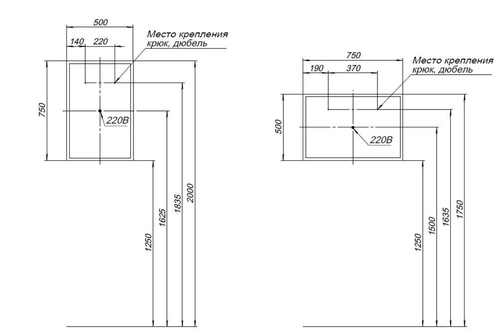
Ширина, мм
500
Высота, мм
750
Размер, мм
500x750






















