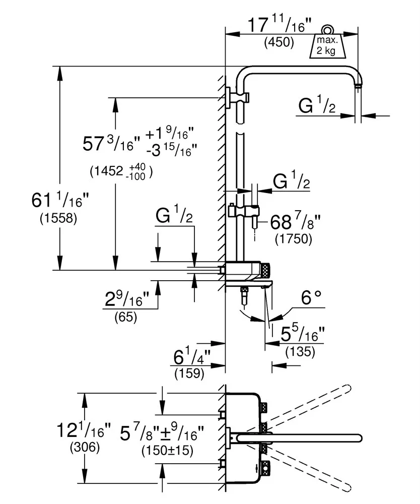
- горизонтальный душевой кронштейн 450 мм
- регулируемое верхнее крепление к стене для удобства монтажа в уже существующие отверстия
- термостат внешнего монтажа SmartControl
- позволяет менять режимы между: верхним душем и ручным душем, с шаровым шарниром, угол поворота +- 15 градусов
- регулируется по высоте с помощью скользящего элемента
- душевой шланг 1750 мм (28025)
- GROHE DreamSpray превосходный поток воды
- GROHE CoolTouch Полностью исключается вероятность ожога о внешнюю поверхность смесителя
- GROHE TurboStat встроенный термоэлемент
- GROHE EcoJoy Технология совершенного потока при уменьшенном расходе воды
- GROHE StarLight хромированная поверхность
- GROHE SafeStop стопор безопасности при 38°C
- GROHE SafeStop Plus опционно ограничитель температуры на 43°C, включен
- SmartControl нажать для вкл/вык















