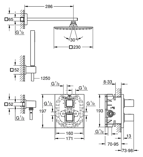
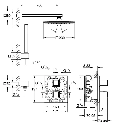
- Включает в себя:
- Grohtherm Cube Термостат с переключателем на 2 положения (19958000 (Термостат для ванны GROHE Grohtherm Cube с переключателем (верхняя монтажная часть), хром))
- GROHE Rapido T термостатический смеситель
- Для скрытого монтажа (35500000 (Термостат для ванны GROHE Rapido T (универсальный, встраиваемая монтажная часть), хром))
- Rainshower Душевой кронштейн 286 мм (27709000 (Душевой кронштейн GROHE Rainshower neutral 282 мм, хром))
- Rainshower Allure 230 Верхний душ (27479000 (Верхний душ GROHE Rainshower Allure, 1 режим, диаметр 210 мм, хром))
- Euphoria Cube Душевой набор (27703000 (Душевой набор GROHE Euphoria Cube (ручной душ, настенный держатель, шланг 1250 мм), хром))
- Euphoria Cube Подключение для душевого шланга (27704000 (Подключение для душевого шланга GROHE Eu


















