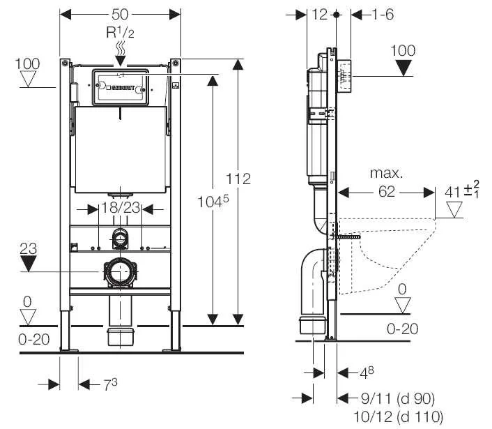
Монтажный элемент для подвесных унитазов Geberit DuofixBasic, H112, со смывным бачком Delta 12 см (UP100).
Применение:
Для монтажа в гипсокартонные стены на высоту рамы или по высоте помещения перед капитальной либо гипсокартонной стеной
Для унитазов с межосевым расстоянием под крепежные шпильки 18 см или 23 см
Для крепежа в пол (0 - 20 см)
Для фронтальной установки
Для управления смывными клавишами типа Delta
Для подсоединения Geberit AquaClean
Не подходит для бетонирования
Характеристики:
Бачок UP100, толщина 12 см, Бачок скрытого монтажа с фронтальным управлением смыва
Бачок скрытого монтажа, полностью герметизированный от попадания конденсата
Настраивается большой объем воды для смыва
объем малого смыва не регулируется
При заводской установке возможен немедленный последующий смыв
Подвод воды по центру сзади или сверху
Присоединение подводки к запорному клапану вручную без инструмента
Двойной смыв со смывной клавишей Delta50, Delta51 или Delta21
Смыв/стоп или одинарный смыв со смывной клавишей Delta40, Del












































