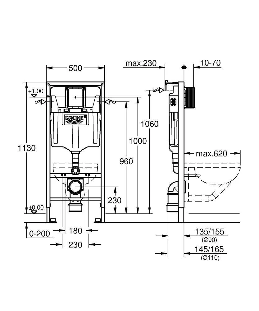
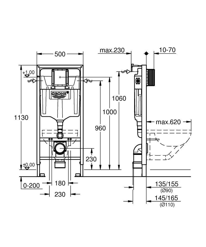
Системы инсталляции GROHE Rapid SL обеспечат максимальный комфорт в вашей ванной комнате. Технология быстрого монтажа GROHE QuickFix® обеспечит простую и легкую установку перед стеной или в гипсокартонные перегородки. Стальной каркас рамы инсталляции сертифицирован при нагрузке свыше 400 кг, обеспечивая превосходную безопасность при использовании подвесных унитазов. При использовании подвесного унитаза и бачка скрытого монтажа вы обеспечиваете оптимальный уровень гигиены и простоту уборки. Созданные с применением технологии GROHE Whisper® для повышенного уровня шумоизоляции системы инсталляции серии Rapid SL предоставляют оптимальный уровень защищенности от шума. Благодаря технологии двойного смыва GROHE EcoJoy®, водопотребление инсталляционных систем Rapid SL может быть снижено на 50%. Для того чтобы легко соответствовать любому заявленному дизайну ванной комнаты наши панели смыва доступны в различных дизайнерских вариантах.






















