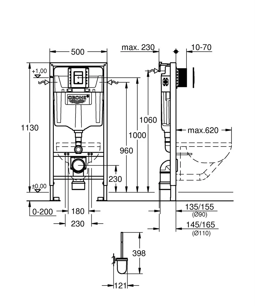
- смывной бачок GD 2, 6 - 9 л
- включает в себя:
- Rapid SL для подвесного унитаза (38528001)
- Клавиша смыва Skate Cosmopolitan S, хром (37535000)
- GROHE Fresh Крепежная рама (38796000)
- Rapid SL Настенный уголок (3855800M)
- Звукоизоляционный комплект (37131000)
- Bau Cosmopolitan туалетный "ершик" в комплекте (40463001)

















