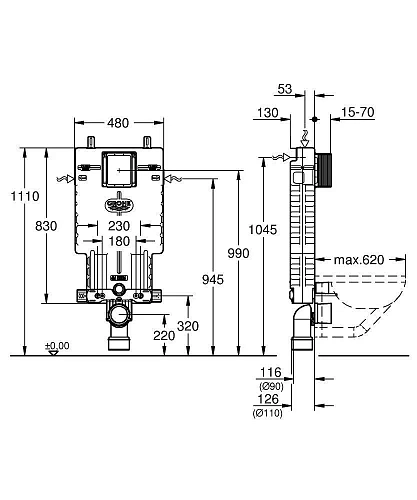
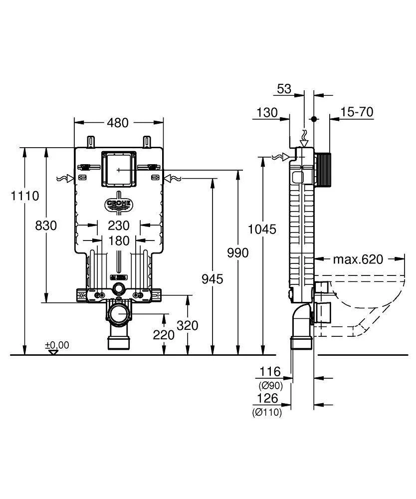
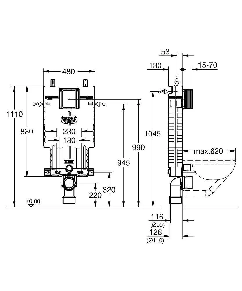
- Смывной бачок GD 2
- С маленьким ревизионным окошком
- Шумопонижающий EPS-модуль
- Для обмуровки
- 830×470×130 mm
- Рельсовые адаптеры для крепления модуля
- Для одиночного или рядного монтажа
- Настенный рельс с крепежным
- Материалом для одиночного монтажа
- 2 болта-держателя для унитаза
- Расстояние между болтами 180/230 мм
- Крепление для керамики
- Выходной патрубок для унитаза Ø 90 мм
- PP-смывная дуга DN 80
- Редуктор Ø 90/110 мм
- Регулировка глубины монтажа
- Переходник DN 80/100
- Впускной и смывной гарнитуры
- Пневматический смывной клапан с тремя режимами
- Слива: 2-х объёмный, старт/стоп, или непрерывный
- Смывной бачок GD 2, 6 - 9 л
- Заводская настройка 6 л и 3 л
- Подключение воды: справа, слева, сзади
- Или сверху
- Арматурная группа I
- В соответствии с DIN



















