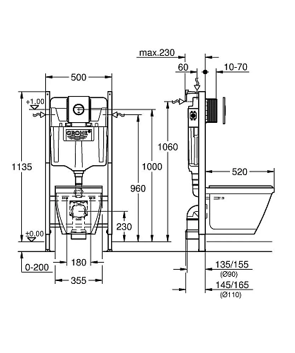
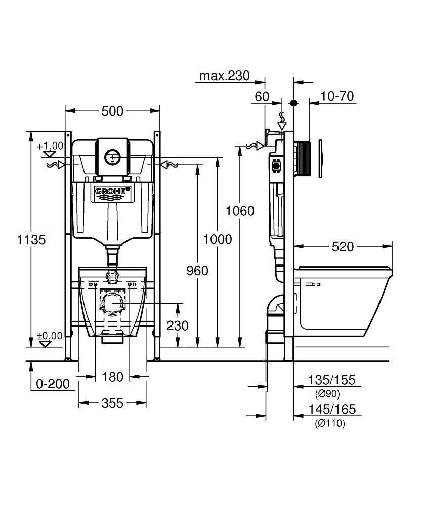
смывной бачок GD 2
- с маленьким ревизионным окошком
- монтажная высота 1,13 м
- для монтажа перед стеной или стеной перегородкой
- самонесущая стальная рама с порошковым напылением
- для облицовки гипсоволоконной плитой
- фиксированные подключения
- быстрая регулировка по высоте
- 2 болта-держателя для унитаза
- крепление для керамики
- расстояние между болтами 180/230 мм
- выходной патрубок для унитаза Ø 90 мм
- регулировка глубины монтажа
- редуктор Ø 90/110 мм
- впускной и смывной гарнитуры
- смывной бачок GD 2, 6–9 л
- заводская настройка 6 л и 3 л
- Пневматический смывной клапан с тремя режимами слива: 2-х объёмный, старт/стоп, или непрерывный
- Подключение воды: справа, слева, сзади или сверху
- Арматурная группа I в соответствии с DIN
- с изоляцией от конденсационной влаги
- подключение
























