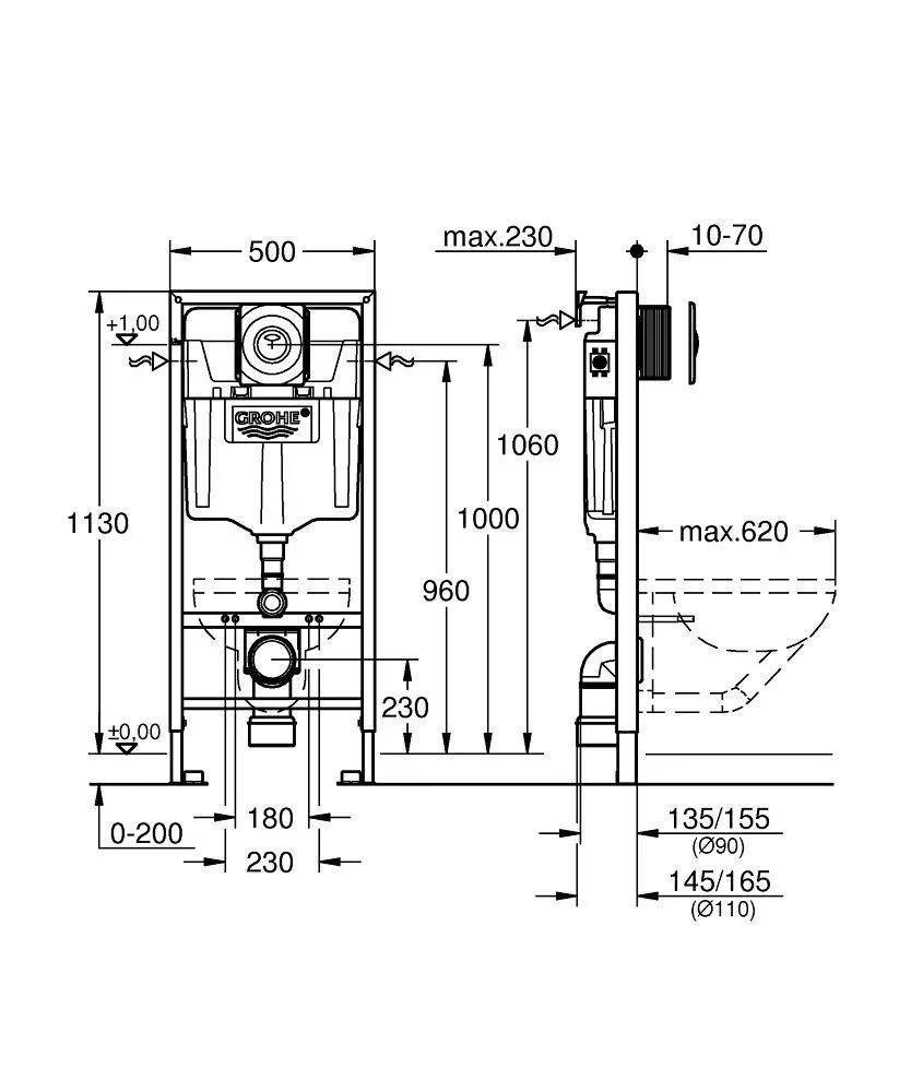
- Смывной бачок GD 2
- С маленьким ревизионным окошком
- Монтажная высота 1,13 м
- Для монтажа перед стеной или стеной перегородкой
- Самонесущая стальная рама с
- Порошковым напылением
- Для облицовки гипсоволоконной плитой
- Фиксированные подключения
- Быстрая регулировка по высоте
- Крепежный материал
- 2 болта-держателя для унитаза
- Крепление для керамики
- Расстояние между болтами 180/230 мм
- Удлинитель DN 90
- PP-смывная дуга DN 90/110
- Впускной и смывной гарнитуры
- Смывной бачок GD 2, 6 - 9 л
- Заводская настройка 6 л и 3 л
- Пневматический смывной клапан с тремя режимами
- Слива: 2-х объёмный, старт/стоп, или непрерывный
- Подключение воды: справа, слева, сзади
- Или сверху
- Арматурная группа I
- В соответствии с DIN
- С изоляцией от конденсационной влаги
- С угловым
















